Papat2
28-10-2023 à 07h45
|
Je n’ai jamais utilisé de relais à semi conducteurs mais il faut se méfier du courant d’entrée et que la sortie puisse être en DC. Un modèle AC ne marchera pas.
Perso, je pense que je ferais juste un montage à transistor NPN 60V mini pour commander la sortie.
2092 msg, 60 ans. (-06). |
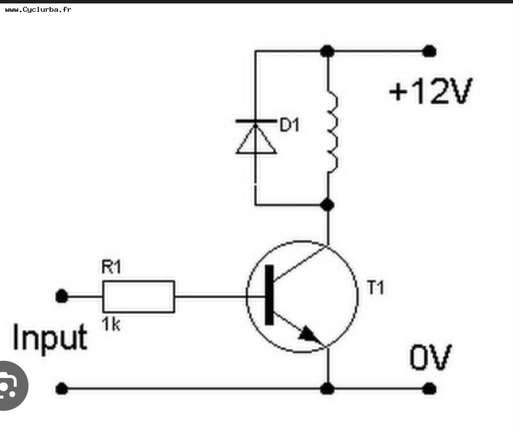
Papat2
28-10-2023 à 07h50
|
Un montage sur ce principe:
Il faut évidemment adapter:
- choisir un transistor +60V
- vérifier que la conso du phare ne dépasse pas le courant max du transistor
- éventuellement diminuer la résistance d’entrée pour limiter à 2mA, donc plutôt autour de 2,5kOhm.
2092 msg, 60 ans. (-06). Message modifié le 2023-10-28 17:27:38 par Papat2. |
publicité 28-10-2023 à 07h50
| Creation du fichier https://cyclurba.fr/fichier/pub_log.txt
 Lien commercial -181-
|
Soupaloignon
28-10-2023 à 11h31
|
Si ça peut aider, sur mes bricolages Arduino et puissance relativement élevée j'utilise souvent ce schéma de contrôle très basique et fonctionnel en l'état :
transistor (darlington) NPN TIP120, 60V-5A max, facile à trouver.
A noter que le TIP121 monte à 80V max, le TIP122 à 100V
Pas besoin de diode de roue libre avec une ampoule ou led.
Après pour plus de perfo on peut aussi utiliser un mosfet en mode switch.
Il y a également plein de petits modules tout fait et prêt à l'emploi, faut juste vérifier leur conso sur le signal 5V mais les mosfets tirent généralement moins que les transistors, c'est un de leurs avantages.
1700 msg, 104 ans. (). Message modifié le 2023-10-29 17:40:54 par Soupaloignon. |
Soupaloignon
28-10-2023 à 17h20
|
@Papat,
Faut enlever la flèche à "choisir un transistor 60V" ça met le bronx ..
1700 msg, 104 ans. (). |
Peter
29-10-2023 à 08h32
 |
Pour info les relais semi-conducteurs a entrée et sortie DC sont aussi fréquents que les modèles DC/AC.
J'ai utilisé les 2.
En revanche les montages de Papat et Soupa sont sûrement plus compacts et tout aussi efficaces.
|
Guytouw
29-10-2023 à 11h10
|
Merci pour tous vos conseils.
Le principe de soupaloignon me tente bien à un détail prés: dans le cas d'un frein de vélo à assistance électrique, l’interrupteur se trouve sur le gnd. Cela modifie-t'il le schéma existant ? (désolé mais je ne suis pas très fortiche en courant électrique)
Anonyme, 39 msg, (FR-92). |
Soupaloignon
29-10-2023 à 11h12
|
Non ça devrait rien changer (+5V toujours branché et coupure sur Gnd)
La lumière fonctionne quand +5V et Gnd sont connectés, et se coupe si un des 2 est ouvert ou inversé.(2x Gnd)
1700 msg, 104 ans. (). Message modifié le 2023-10-29 12:02:14 par Soupaloignon. |
Guytouw
29-10-2023 à 11h18
|
Merci encore Soupaloignon 
Anonyme, 39 msg, (FR-92). |
Guytouw
29-10-2023 à 11h40
|
Soupaloignon, afin de mourir moins bête, peux-tu me dire a quoi sert la résistance de 2.2 Kohm ?
Merci
Anonyme, 39 msg, (FR-92). Message modifié le 2023-10-29 11:45:46 par Guytouw. |
publicité 29-10-2023 à 11h40
| Creation du fichier https://cyclurba.fr/fichier/pub_log.txt
|
Thierry113
29-10-2023 à 12h00
 |
A limiter le courant dans la base.
Un transistor a trois fils : base, collecteur, émetteur.
C'est un amplificateur de courant, ansi le courant entre collecteur et émetteur sera proportionnel au courant entre base et émetteur avec un gain propre à la référence du transistor.
ainsi si j'ai un transistor qui a un gain de 100 et que je fais circuler 1 mA dans la "diode" B-E je vais récupérer 100mA entre C-E.
La tension directe entre B et E est aussi propre au transistor et proche de 0,6V pour un transistor silicium donc si je présente une tension inférieure a 0,6V rien ne se passe, au delà de 0,6V c'est un quasi court circuit, et le transistor fume si on ne limite pas le courant avec une résistance.
3096 msg, 60 ans. (-89). |
|
|